Em 2020, os arqueólogos surpreenderam o mundo com novas descobertas, como é o caso da guerreira cita de 2.600 anos encontrada na Rússia, da estatueta de pássaro paleolítico de mais de 13.000 anos descoberta na China e das 59 múmias de mais de 2.600 anos no Egito.
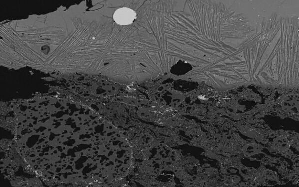
Além disso, uma das descobertas mais marcantes foram os restos perfeitamente conservados de duas pessoas, encontrados durante escavações a aproximadamente 700 metros perto da antiga cidade romana de Pompeia. Foi ainda feita uma outra descoberta impressionante: a imagem de microscópio eletrônico mostrando escória dentro de um cadinho, com uma mancha prateada visível no centro superior (primeira evidência conhecida da mistura de cromo no aço pelos antigos persas no sec. XI).

1/14
© AFP 2023 / Ministério da Cultura da Grécia
Cabeça do deus grego Hermes encontrada em Atenas.

2/14
© AP Photo / Ministério da Cultura do Peru - Nasca-Palpa / Jhony Islas
Arqueólogos do Ministério da Cultura do Peru descobriram um geoglifo em forma de gato nas misteriosas Linhas de Nazca, no Peru.

3/14
© AP Photo / Mahmoud Khaled
Arqueólogos descobrem 59 sarcófagos com múmias de mais de 2.600 anos em Saqqara, Egito.

4/14
© Sputnik / Serviço de imprensa do distrito autônomo Yamálo-Nenetsky
/ Fóssil de mamute do Paleolítico é encontrado no norte da Sibéria.

5/14
© AP Photo / Atef Safadi
Ruínas de sauna e igreja de 2.000 anos são descobertas em Jerusalém.

Restos perfeitamente conservados de duas pessoas foram encontrados durante escavações a aproximadamente 700 metros da antiga cidade romana de Pompeia.

Arqueólogos encontram restos de antigo teatro em Londres.

Estatueta de pássaro paleolítico de mais de 13.000 anos encontrada na China.

9/14
CC BY 4.0 / Lars Pilo/Espen Finstad /James H. Barrett/Antiquity Publications Ltd, 2020 / (cropped image)
Crânio de cavalo encontrado em geleira da Noruega.

Primeiro mapa completo da antiga cidade romana de Falerii Novi.

Imagem de microscópio eletrônico mostrando escória dentro de um cadinho, com uma mancha prateada visível no centro superior (primeira evidência conhecida da mistura de cromo no aço pelos antigos persas no sec. XI) .

12/14
© AP Photo / Andrew Medichini
Sarcófago do século VI a.C. encontrado no Fórum Romano, em Roma, Itália.

Pinturas rupestres encontradas em caverna espanhola.

Restos mortais de uma guerreira cita de 2.600 anos descoberta na república de Tuva, Rússia.
